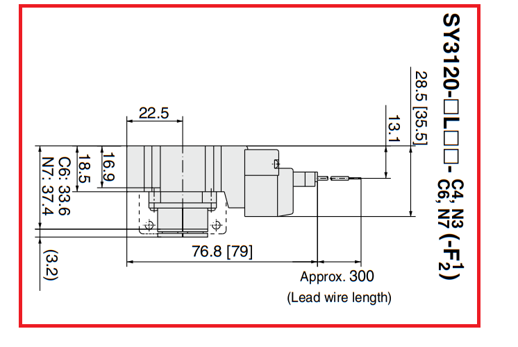
Van điện từ SMC SY3120-5LZD-C6

Liên hệ

  • Hãng sản xuất: SMC
  • Mã sản phẩm: SY3120-5LZD-C6
  • Tình trạng: Còn hàng
MUA NGAY
0886.395.922